Описание
Характеристики
Доставка
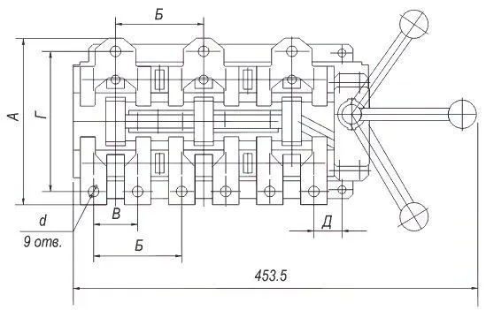
Разъединители трехполюсные для переднего присоединения проводников с передним приводом левого и правого расположения (в дальнейшем аппараты), предназначены для нечастых неавтоматических, соединений и разъединений без нагрузки, электрических цепей переменного тока частотой 50Гц напряжением 380В, на два направления, для комплектации силовых ящиков, шкафов, щитов и других распределительных устройств. Разъединители соответствуют ГОСТ IEC 60947-3 и стандарту МЭК-947-3-90.
Технические характеристики:
Номинальный рабочий ток 250А
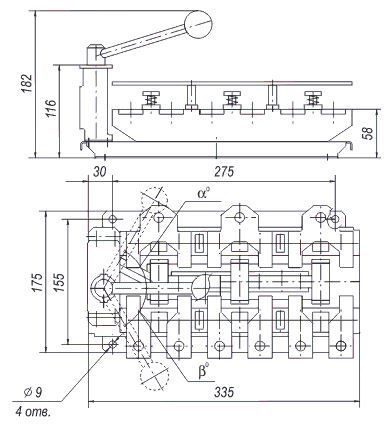
Вид привода: передний
Расположение плоскости присоединения внешних зажимов контактных выводов: параллельно плоскости монтажа
Расположение привода: правое
Количество полюсов: 3
Климатическое исполнение по ГОСТ 15150 УХЛЗ
Класс защиты от поражения эл.током по ГОСТ 12.2.007.0 1
Степень защиты по ГОСТ 14254 IРОХ
Номинальный режим эксплуатации продолжительный
Номинальное рабочее напряжение Ue 380 В
Номинальные рабочие токи Ie 250А, 400А
Номинальная частота переменного тока 50 Гц
Номинальная включающая и отключающая способность аппаратов в электрических цепях переменного тока при напряжении равном 1,05Uе, токе равном I,5Iе, коэффициенте мощности 0,95 для аппаратов на 100А, 250А категории применения АС-21В не менее 5 циклов “ВО”
Номинальная включающая и отключающая способность рубильников в электрических цепях переменного тока при напряжении равном 1,05Uе, токе равном I,5Iе, коэффициенте мощности 0,95 для аппаратов на 400А категории применения АС-20В не менее 5 циклов “ВО”
Работоспособность в процессе эксплуатации в электрических цепях переменного тока при номинальном напряжении, коэффициенте мощности 0,95, при токе равном 0,5Iе для аппаратов на 250А категории применения АС-21В не менее 200 циклов “ВО”
Работоспособность в процессе эксплуатации в электрических цепях переменного тока при номинальном напряжении, коэффициенте мощности 0,95, при токе равном 0,5Iе для аппаратов на 400А категории применения АС-20В не менее 200 циклов “ВО”
Механическая износостойкость аппаратов 250А-8000, 400А-5000 циклов “ВО”
Установленный срок службы аппаратов 8 лет
Технические характеристики:
Номинальный рабочий ток 250А
Вид привода: передний
Расположение плоскости присоединения внешних зажимов контактных выводов: параллельно плоскости монтажа
Расположение привода: правое
Количество полюсов: 3
Климатическое исполнение по ГОСТ 15150 УХЛЗ
Класс защиты от поражения эл.током по ГОСТ 12.2.007.0 1
Степень защиты по ГОСТ 14254 IРОХ
Номинальный режим эксплуатации продолжительный
Номинальное рабочее напряжение Ue 380 В
Номинальные рабочие токи Ie 250А, 400А
Номинальная частота переменного тока 50 Гц
Номинальная включающая и отключающая способность аппаратов в электрических цепях переменного тока при напряжении равном 1,05Uе, токе равном I,5Iе, коэффициенте мощности 0,95 для аппаратов на 100А, 250А категории применения АС-21В не менее 5 циклов “ВО”
Номинальная включающая и отключающая способность рубильников в электрических цепях переменного тока при напряжении равном 1,05Uе, токе равном I,5Iе, коэффициенте мощности 0,95 для аппаратов на 400А категории применения АС-20В не менее 5 циклов “ВО”
Работоспособность в процессе эксплуатации в электрических цепях переменного тока при номинальном напряжении, коэффициенте мощности 0,95, при токе равном 0,5Iе для аппаратов на 250А категории применения АС-21В не менее 200 циклов “ВО”
Работоспособность в процессе эксплуатации в электрических цепях переменного тока при номинальном напряжении, коэффициенте мощности 0,95, при токе равном 0,5Iе для аппаратов на 400А категории применения АС-20В не менее 200 циклов “ВО”
Механическая износостойкость аппаратов 250А-8000, 400А-5000 циклов “ВО”
Установленный срок службы аппаратов 8 лет
Высота (мм)
116
Артикул
VD1-3551-P-G
Бренд
ЭЛЕКТРОДЕТАЛЬ
Самовывоз
Улица 2-я Геологическая, 32
Бесплатно
Доставка по Красноярску
Стоимость доставки оплаченного товара
1000 ₽
Доставка до транспортной компании
Доставка до терминала транспортной компании в Красноярске осуществляется бесплатно при условии выбора транспортной компании Продавцом
Бесплатно
Подборки товаров в категории Силовое оборудование защиты, коммутации и устройства управления
Выключатели концевые, путевые
Дополнительные устройства для контакторов и пускателей
Дополнительные устройства к силовым автоматическим выключателям
Катушки для пускателей, контакторов и электромагнитов
Кнопки, переключатели
Контакторы электромагнитные
Контакты для контакторов и пускателей
Пакетные выключатели (пакетник)
Переключатели кулачковые
Посты кнопочные
Посты тельферные
Предохранители высоковольтные
Предохранители низковольтные
Преобразователи частоты
Пускатели и контакторы малогабаритные
Разрядники, ограничители перенапряжения
Разъединители и выключатели нагрузки высоковольтные
Рубильники, разъединители, выключатели нагрузки
Светосигнальная арматура
Силовые автоматические выключатели
Тумблеры
Устройство плавного пуска
Электродвигатели
Электромагниты
