Описание
Характеристики
Доставка
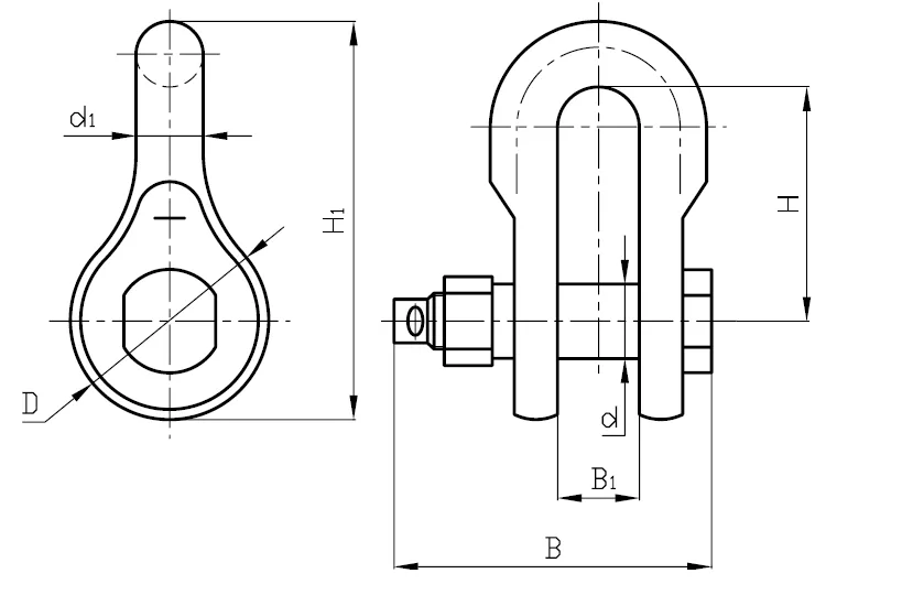
Предназначены для образования шарнирного цепного соединения. Скобы типа СК позволяют осуществить переход со скобы одного вида нагрузок на скобы соседнего (большего или меньшего) ряда нагрузок через цепное соединение.
Высота (мм)
70
Артикул
EL10.07-033
Бренд
Россия
Самовывоз
Улица 2-я Геологическая, 32
Бесплатно
Доставка по Красноярску
Стоимость доставки оплаченного товара
1000 ₽
Доставка до транспортной компании
Доставка до терминала транспортной компании в Красноярске осуществляется бесплатно при условии выбора транспортной компании Продавцом
Бесплатно
Подборки товаров в категории Системы для прокладки кабеля
Аксессуары для кабель-канала
Аксессуары для лотка металлического
Аксессуары для металлорукава
Аксессуары для труб
Арматура для воздушных линий
Кабель-канал
Компоненты кабельных муфт
Лента сигнальная, оградительная
Лотки металлические
Металлорукав
Молниезащита и заземление
Муфты кабельные
Парапетный кабель-канал и аксессуары
Профиль перфорированный
Распределительные монтажные коробки
Спираль монтажная
Трубы электромонтажные
