Описание
Характеристики
Документация
Доставка
Трансформаторы тока ТТИ предназначены:
- для применения в схемах учета электроэнергии при расчетах с потребителями;
- для применения в схемах коммерческого учета электроэнергии;
- для передачи сигнала измерительной информации измерительным приборам или устройствам защиты и управления.
Соответствуют требованиям ГОСТ 7746 и изготовлены по техническим условиям ТУ 3414-001-18461115-2006.
Трансформаторы тока ТТИ за высокие показатели качества награждены серебряной медалью на международном конкурсе "Лучшее электрооборудование-2005 года", в организации которого принимали участие Министерство промышленности и энергетики РФ, Госстандарт РФ, АНО "Союзэкспертиза".
На основании положительных результатов испытаний на трансформаторы тока ТТИ выдано свидетельство об утверждении типа средств измерений.
Трансформаторы тока ТТИ внесены в государственный реестр средств измерений под номером 28139-12.
ПРЕИМУЩЕСТВА
Медная луженая шина у трансформаторов ТТИ-А дает возможность подключать как медные, так и алюминиевые проводники.
Корпус всех трансформаторов ТТИ выполнен из самозатухающего пластика.
В комплект каждого трансформатора входит крышка, которой закрываются клеммы вторичной обмотки. Также трансформаторы ТТИ-А комплектуются винтами и гайками для крепления проводников. Трансформаторы ТТИ-30/ТТИ-125 комплектуются скобой для крепления шины в окне трансформатора.
Вес и габариты - на 10-20% меньше аналогичных трансформаторов тока других отечественных производителей.
Межповерочный интервал 4 года.
Технические характеристики
Первичный номин ток, А 800
Вторичный номин ток, А 5
Класс точности 0,5
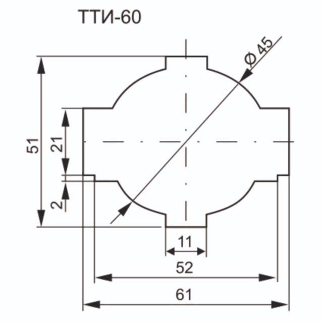
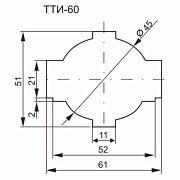
Макс диаметр кабеля, мм 45
Вторичное подключение Винтовое соединение
С медной шиной Нет
Номин напряжение, В 660
Модель или исполнение Преобразователь тока с первичной обмоткой
Калиброванный Да
Класс точности 0,5
Наибольшее раб напряжение, кВ 0,72
Номин вторичная полная мощность, ВА 10
Номин частота, Гц 50
С защитой от прикосновения Да
Установка на защёлках Нет
- для применения в схемах учета электроэнергии при расчетах с потребителями;
- для применения в схемах коммерческого учета электроэнергии;
- для передачи сигнала измерительной информации измерительным приборам или устройствам защиты и управления.
Соответствуют требованиям ГОСТ 7746 и изготовлены по техническим условиям ТУ 3414-001-18461115-2006.
Трансформаторы тока ТТИ за высокие показатели качества награждены серебряной медалью на международном конкурсе "Лучшее электрооборудование-2005 года", в организации которого принимали участие Министерство промышленности и энергетики РФ, Госстандарт РФ, АНО "Союзэкспертиза".
На основании положительных результатов испытаний на трансформаторы тока ТТИ выдано свидетельство об утверждении типа средств измерений.
Трансформаторы тока ТТИ внесены в государственный реестр средств измерений под номером 28139-12.
ПРЕИМУЩЕСТВА
Медная луженая шина у трансформаторов ТТИ-А дает возможность подключать как медные, так и алюминиевые проводники.
Корпус всех трансформаторов ТТИ выполнен из самозатухающего пластика.
В комплект каждого трансформатора входит крышка, которой закрываются клеммы вторичной обмотки. Также трансформаторы ТТИ-А комплектуются винтами и гайками для крепления проводников. Трансформаторы ТТИ-30/ТТИ-125 комплектуются скобой для крепления шины в окне трансформатора.
Вес и габариты - на 10-20% меньше аналогичных трансформаторов тока других отечественных производителей.
Межповерочный интервал 4 года.
Технические характеристики
Первичный номин ток, А 800
Вторичный номин ток, А 5
Класс точности 0,5
Макс диаметр кабеля, мм 45
Вторичное подключение Винтовое соединение
С медной шиной Нет
Номин напряжение, В 660
Модель или исполнение Преобразователь тока с первичной обмоткой
Калиброванный Да
Класс точности 0,5
Наибольшее раб напряжение, кВ 0,72
Номин вторичная полная мощность, ВА 10
Номин частота, Гц 50
С защитой от прикосновения Да
Установка на защёлках Нет
Высота (мм)
127
Артикул
ITT40-2-10-0800
Бренд
IEK
Самовывоз
Улица 2-я Геологическая, 32
Бесплатно
Доставка по Красноярску
Стоимость доставки оплаченного товара
1000 ₽
Доставка до транспортной компании
Доставка до терминала транспортной компании в Красноярске осуществляется бесплатно при условии выбора транспортной компании Продавцом
Бесплатно
