Универсальный блок защиты УБЗ-301 63-630А (Новатек-Электро)
В наличии 3 шт.
9 001 ₽
Описание
Характеристики
Документация
Доставка
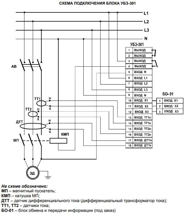
Универсальный блок защиты электродвигателей УБЗ-301 (10-100 А) (далее по тексту блок) предназначен для постоянного контроля параметров сетевого напряжения и действующих значений фазных/линейных токов трехфазного электрооборудования 380 В/50 Гц, в первую очередь, асинхронных электродвигателей (ЭД), мощностью от 5 кВт до 50 кВт, в том числе и в сетях с изолированной нейтралью.
Осуществляет полную и эффективную защиту электрооборудования отключением от сети и/или блокированием его пуска в следующих случаях:
- некачественном сетевом напряжении (недопустимые скачки напряжения, обрыв фаз, нарушение чередования и слипания фаз, перекос фазных/линейных напряжений);
- механических перегрузках (симметричный перегруз по фазным/линейным токам) – защита от перегруза с зависимой выдержкой времени;
- несимметричных перегрузок по фазным/линейным токам, связанных с повреждениями внутри двигателя – защита от перекосов фазных токов с последующим запретом АПВ;
- несимметрии фазных токов без перегруза, связанных с нарушением изоляции внутри двигателя и/или подводящего кабеля;
- исчезновении момента на валу ЭД («сухой ход» - для насосов) – защита по минимальному пусковому и/или рабочему току;
- при недопустимо низком уровне изоляции на корпус – проверка перед включением с блокировкой пуска при плохой изоляции;
- замыкании на «землю» обмотки статора во время работы – защита по токам утечки на «землю».
Блок обеспечивает защиту электрооборудования путем управления катушкой магнитного пускателя (контактора).
Осуществляет полную и эффективную защиту электрооборудования отключением от сети и/или блокированием его пуска в следующих случаях:
- некачественном сетевом напряжении (недопустимые скачки напряжения, обрыв фаз, нарушение чередования и слипания фаз, перекос фазных/линейных напряжений);
- механических перегрузках (симметричный перегруз по фазным/линейным токам) – защита от перегруза с зависимой выдержкой времени;
- несимметричных перегрузок по фазным/линейным токам, связанных с повреждениями внутри двигателя – защита от перекосов фазных токов с последующим запретом АПВ;
- несимметрии фазных токов без перегруза, связанных с нарушением изоляции внутри двигателя и/или подводящего кабеля;
- исчезновении момента на валу ЭД («сухой ход» - для насосов) – защита по минимальному пусковому и/или рабочему току;
- при недопустимо низком уровне изоляции на корпус – проверка перед включением с блокировкой пуска при плохой изоляции;
- замыкании на «землю» обмотки статора во время работы – защита по токам утечки на «землю».
Блок обеспечивает защиту электрооборудования путем управления катушкой магнитного пускателя (контактора).
Высота (мм)
90
Артикул
УБЗ-301 63-630А
Бренд
Новатек-Электро
Самовывоз
Улица 2-я Геологическая, 32
Бесплатно
Доставка по Красноярску
Стоимость доставки оплаченного товара
1000 ₽
Доставка до транспортной компании
Доставка до терминала транспортной компании в Красноярске осуществляется бесплатно при условии выбора транспортной компании Продавцом
Бесплатно
