Универсальный блок защиты УБЗ-302 (Новатек-Электро)
В наличии 1 шт.
11 630 ₽
Описание
Характеристики
Документация
Доставка
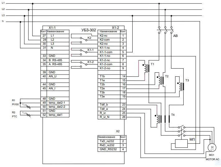
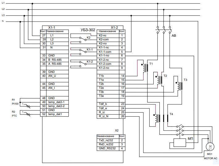
Универсальный блок защиты электродвигателей УБЗ-302 предназначен для постоянного контроля параметров сетевого напряжения, действующих значений фазных/линейных токов трехфазного электрооборудования 380 В, 50 Гц и проверки значения сопротивления изоляции электродвигателей.
УБЗ обеспечивает защиту асинхронных электродвигателей, мощностью от 2,5 кВт до 30 кВт при использовании встроенных токовых трансформаторов и до 315 кВт при использовании внешних токовых трансформаторов, в том числе и в сетях с изолированной нейтралью.
Обеспечивает защиту электродвигателей при:
- некачественном сетевом напряжении (недопустимые скачки напряжения, обрыв фаз, нарушение чередования и слипание фаз, перекос линейных напряжений);
- механических перегрузках (симметричный перегруз по фазным/линейным токам);
- превышении порога тока обратной последовательности:
- несимметрии фазных токов без перегруза, связанных с нарушением изоляции внутри двигателя и/или подводящего кабеля (сравнение коэффициента несимметрии тока по обратной последовательности с коэффициентом несимметрии напряжения по обратной последовательности);
- исчезновении момента на валу электродвигателя («сухой ход» - для насосов) – защита по минимальному пусковому и/или рабочему току;
- затянутом пуске двигателя или блокировке ротора;
- недопустимо низком уровне изоляции между статором и корпусом двигателя (проверка перед включением);
- замыкании на «землю» обмотки статора во время работы – защита по токам утечки на «землю»;
- тепловой перегрузке двигателя;
- перегреве обмоток (определяется температура обмоток при использовании встроенных в двигатель температурных датчиков или температура корпуса при использовании внешних температурных датчиков).
По каждому типу защиты возможно запрещение и разрешение автоматического повторного включения нагрузки.
Блок обеспечивает защиту электрооборудования путем управления катушкой магнитного пускателя (контактора).
Блок определяет наличие токов двигателя при отключенном реле нагрузки (при отключенном реле нагрузки и функциональном реле в режиме звезда-треугольник). В этом случае блок индицирует аварию внешнего магнитного пускателя (в дальнейшем МП), включающего двигатель, до тех пор, пока блок не будет выключен или отключен контроль токов двигателя при отключенном реле нагрузки.
УБЗ обеспечивает защиту асинхронных электродвигателей, мощностью от 2,5 кВт до 30 кВт при использовании встроенных токовых трансформаторов и до 315 кВт при использовании внешних токовых трансформаторов, в том числе и в сетях с изолированной нейтралью.
Обеспечивает защиту электродвигателей при:
- некачественном сетевом напряжении (недопустимые скачки напряжения, обрыв фаз, нарушение чередования и слипание фаз, перекос линейных напряжений);
- механических перегрузках (симметричный перегруз по фазным/линейным токам);
- превышении порога тока обратной последовательности:
- несимметрии фазных токов без перегруза, связанных с нарушением изоляции внутри двигателя и/или подводящего кабеля (сравнение коэффициента несимметрии тока по обратной последовательности с коэффициентом несимметрии напряжения по обратной последовательности);
- исчезновении момента на валу электродвигателя («сухой ход» - для насосов) – защита по минимальному пусковому и/или рабочему току;
- затянутом пуске двигателя или блокировке ротора;
- недопустимо низком уровне изоляции между статором и корпусом двигателя (проверка перед включением);
- замыкании на «землю» обмотки статора во время работы – защита по токам утечки на «землю»;
- тепловой перегрузке двигателя;
- перегреве обмоток (определяется температура обмоток при использовании встроенных в двигатель температурных датчиков или температура корпуса при использовании внешних температурных датчиков).
По каждому типу защиты возможно запрещение и разрешение автоматического повторного включения нагрузки.
Блок обеспечивает защиту электрооборудования путем управления катушкой магнитного пускателя (контактора).
Блок определяет наличие токов двигателя при отключенном реле нагрузки (при отключенном реле нагрузки и функциональном реле в режиме звезда-треугольник). В этом случае блок индицирует аварию внешнего магнитного пускателя (в дальнейшем МП), включающего двигатель, до тех пор, пока блок не будет выключен или отключен контроль токов двигателя при отключенном реле нагрузки.
Высота (мм)
150
Артикул
УБЗ-302-45
Бренд
Новатек-Электро
Самовывоз
Улица 2-я Геологическая, 32
Бесплатно
Доставка по Красноярску
Стоимость доставки оплаченного товара
1000 ₽
Доставка до транспортной компании
Доставка до терминала транспортной компании в Красноярске осуществляется бесплатно при условии выбора транспортной компании Продавцом
Бесплатно
