Описание
Характеристики
Документация
Доставка
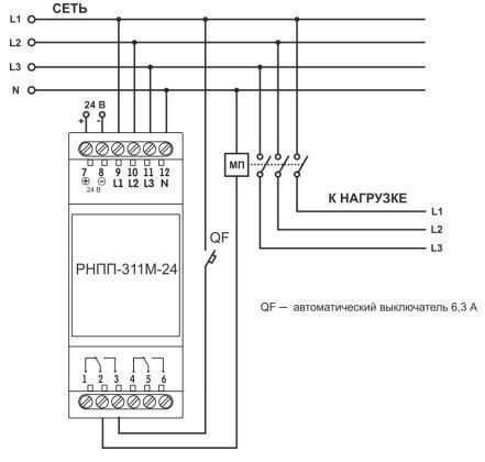
Реле предназначено для контроля допустимого уровня напряжения;
– для контроля правильного чередования и отсутствия слипания фаз;
– для контроля полнофазности и симметричности сетевого напряжения (перекоса фаз);
– для отключения нагрузки при некачественном сетевом напряжении;
– для контроля качества сетевого напряжения после отключения нагрузки и автоматического включения ее после восстановления параметров напряжения;
– для индицирования аварии при возникновении аварийной ситуации и индикации наличия напряжения на каждой фазе.
РНПП-311M-24 осуществляет контроль ноля косвенным методом.
В изделии предусмотрены возможности регулировки параметров (порога срабатывания по напряжению, времени АПВ и времени задержки срабатывания защиты), выбора напряжения контролируемой сети (380 В или 400 В) и набора защитных функций.
Питание РНПП-311M-24 осуществляется от внешнего источника 24 В постоянного тока (например BP-324 производства НОВАТЕК-ЭЛЕКТРО). Это позволяет использовать изделия в сетях с повышенным уровнем гармоник.
Габаритные размеры, HхBхL:
90,2х64,5х36
Масса, не более:
0,1 кг
Гарантия:
10 лет
– для контроля правильного чередования и отсутствия слипания фаз;
– для контроля полнофазности и симметричности сетевого напряжения (перекоса фаз);
– для отключения нагрузки при некачественном сетевом напряжении;
– для контроля качества сетевого напряжения после отключения нагрузки и автоматического включения ее после восстановления параметров напряжения;
– для индицирования аварии при возникновении аварийной ситуации и индикации наличия напряжения на каждой фазе.
РНПП-311M-24 осуществляет контроль ноля косвенным методом.
В изделии предусмотрены возможности регулировки параметров (порога срабатывания по напряжению, времени АПВ и времени задержки срабатывания защиты), выбора напряжения контролируемой сети (380 В или 400 В) и набора защитных функций.
Питание РНПП-311M-24 осуществляется от внешнего источника 24 В постоянного тока (например BP-324 производства НОВАТЕК-ЭЛЕКТРО). Это позволяет использовать изделия в сетях с повышенным уровнем гармоник.
Габаритные размеры, HхBхL:
90,2х64,5х36
Масса, не более:
0,1 кг
Гарантия:
10 лет
Высота (мм)
90,2
Артикул
РНПП-311М-24
Бренд
Новатек-Электро
Самовывоз
Улица 2-я Геологическая, 32
Бесплатно
Доставка по Красноярску
Стоимость доставки оплаченного товара
1000 ₽
Доставка до транспортной компании
Доставка до терминала транспортной компании в Красноярске осуществляется бесплатно при условии выбора транспортной компании Продавцом
Бесплатно
